乐玩lewin国际

上海乐玩lewin国际电力

继电器制造商
lewin乐玩·(中国区)有限公司官网

咨询服务热线139-6888-3630
继电器选型
乐玩lewin国际> 技术文章>中间继电器>DZ-30B(G)型中间继电器

联系乐玩lewin国际

  • DZ-31B电磁式中间继电器
  • 文章类别:DZ-30B(G)型中间继电器
  • 文章概述
  • 产品分类

    询价留言

    DZ-31B概述
    DZ-30B型中间继电器用于直流操作的各种保护和自动控制线路中,作为辅助继电器以增加触点数量和触点容量。DZ-30BG是DZ-30B的改进型。该中间继电器克服了原来DZ-30B继电器采用的绕组线径为0.06-0.07漆包线。在长期运输中,出现的断线缺点,提高了可靠性。其余内部接线、外形尺寸、接线端子、使用功能等与DZ-30B型中间继电器一样。
    DZ-31B技术参数

    ●额定电压:直流220V、110V、48V、24V、12V可选。
    ●动作值:额定电压值30~70%。
    ●返回值:不小于额定值的5%。
    ●动作时间:在额定电压下,动作时间不大于45ms。
    ●返回时间:不大于60ms。
    ●功率消耗:不大于7W。
    ●触点容量:在电压不超过250V,电流不超过5A,时间常数为5±0.75ms的直流有感负荷电路中,产品输出触点的断开容量为50W。
    ●DZ-31B输出触点长期允许接通电流为5A。
    ●可靠动作及返回系数:5×104次。
     

    DZ-31B内部接线图

    DZ-31B接线图

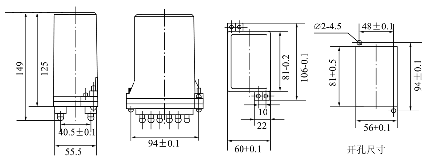
    DZ-31B外形及开孔尺寸
    DZ-31B外形尺寸和安装尺寸图

     

    *主题:

    称呼:

    邮箱:

    公司:

    *电话:

    传真:

    备注:

    *验证码: