什么是闭锁继电器
闭锁继电器是一种电控制器件,是在交流电压回路断线而可能引起的继电保护误动作时,对继电保护进行闭锁,作用于中性点非直接接地系统中。
用途
LB-7静态闭锁继电器是上海乐玩lewin国际电力在传统电磁型继电器的基础上进行研发升级的。主要适用于发电厂及变电所内高压母线上的电压互感器(PT)的二次侧、当高压母电时防止工作人员误合接地刀闸。安装LB-7闭锁继电器可防止此类安全问题的发生。
特点
1、LB-7闭锁继电器带有三个单独的LED灯分别显示A、B、C相是否带电或缺相,并且具有独立的闭锁灯显示;
2、由传统的电磁型升级为电子型静态继电器,LB-7的硬件更安全可靠,升级后接线方式与传统的电磁型闭锁继电器基本一致;
3、带有MCU单片机采样控制,具有独立判定;
4、LB-7闭锁继电器采用导轨安装,壳体具有体积小、外形美观等优点,并且符合欧规标准;
5、抗干扰能力强EMC(浪涌、脉冲群、静电)等试验可过4级;
6、在-40℃~70℃环境温度下能够可靠运行。
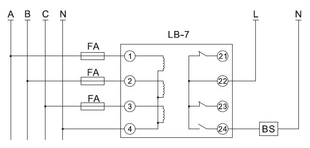
LB-7闭锁继电器接线图

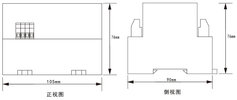
外观尺寸图

上一篇:
光伏发电防孤岛保护装置的作用
下一篇:
非接触式高压带电显示器