概述
XJC-3/3冲击继电器是用于电力系统直流操作的继电保护及控制回路中,作为集中信号的主要元件。采用静态集成电路,适用于不同中央信号接线方式,不论接于电源的正端或负端,均无须设置跨线,功耗很小,不需要外附电阻。
XJC-3/3型号及含义
主要特点
■采用静态集成电路,具有抗干扰能力强,特殊电路设计消除了电源谐波干扰。
■内部具有自动返回和延时动作,延时复归等三功能可自行选用。
■所有光示牌均可通用、混用。
■预警通用,+、-复归通用。
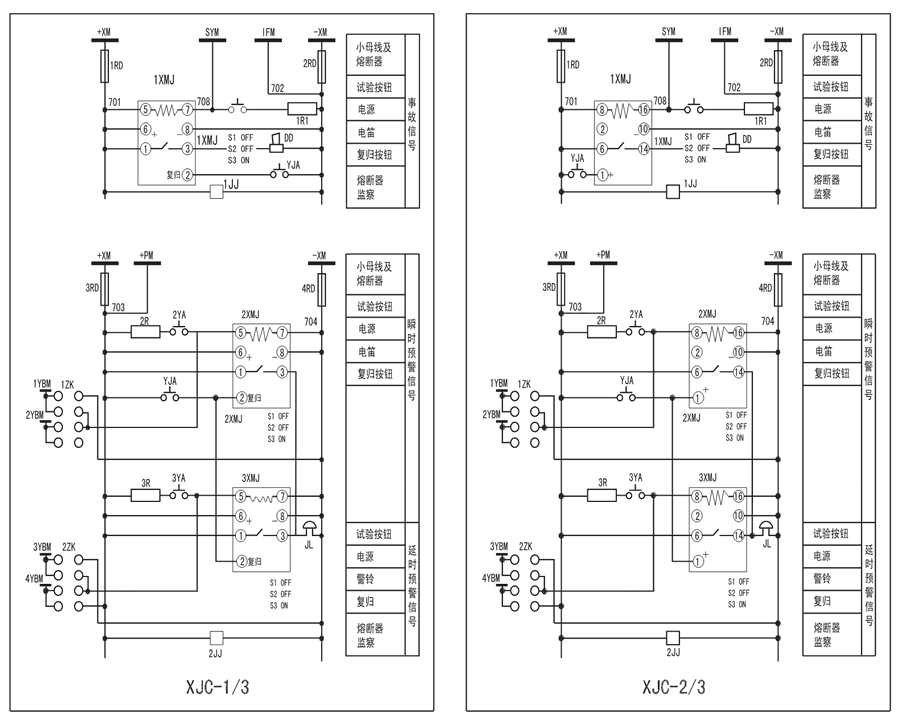
接线图
XJC-3/3相关技术参数
| 型号 |
额定电压 |
较小动作电流 |
较大动作电流 |
较大功耗 |
| XJC-1/1 |
24V、48V、110V、220V |
0.010A |
2A |
2.4+3.3W |
| XJC-1/3 |
24V、48V、110V、220V |
0.010A |
2A |
2.4+3.3W |
| XJC-2/3 |
24V、48V、110V、220V |
0.010A |
3.2A |
1.5+3.3W |
| XJC-3/3 |
24V、48V、110V、220V |
0.010A |
2A |
2.4+3.3W |
| XJC-4/3 |
24V、48V、110V、220V |
0.010A |
2A |
2.4+3.3W |
| XJC-4/3 |
24V、48V、110V、220V |
0.010A |
2A |
2.4+3.3W |
XJC-3/3工作原理

静态冲击继电器解决了传统的电流微分原理而采用电流幅值在报警整个周期内智能比较的方法,具有记忆特性,比较报警电流来到时刻前后电流的幅值,如果有长信号与短信号重叠,在预告信号延时期间内,只要长信号不返回,保证正确报警,长信号不会被短信号清除。内附有延时预告信号的延时时间元件和报警定时时间元件,可省去外部的两只时间继电器,在音响报警时,除手动复归音响外,经定时回路自动解除音响。此外,对白炽灯光字牌灯丝冷热电阻的变化、电源纹波以及触点抖动的影响均能有较强的抑制能力,保证冲击继电器的正确动作。
企业实拍
主要特点
嵌入式插拔结构
凸出式插拔结构