


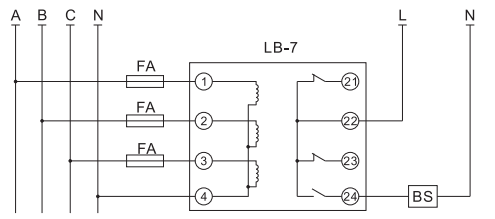
保护功能
缺相时闭锁保护
额定电压
100V
额定功率
50Hz
动作时间
不大于15ms
触点容量
8A,250V
安装方式
35mm导轨条安装

额定电压
AC/DC:110V、220V
触点形式
8转换触点,10转换触点
额定电压
AC/DC:110V、220V
交流电压动作值
小于额定电压80%
直流电压动作值
小于额定电压70%
安装方式
35mm导轨条安装
动作电流
30~300mA范围可调,50~500mA范围可调
动作时间类型
快速型、延时型
快速型动作时间
≤0.1S
延时型动作时间
0.1S、0.2S、0.5S可选
互感器孔径
25mm,45mm,100mm,150mm、200mm或方形非标
安装方式
35mm导轨安装、嵌入式面板、固定式