


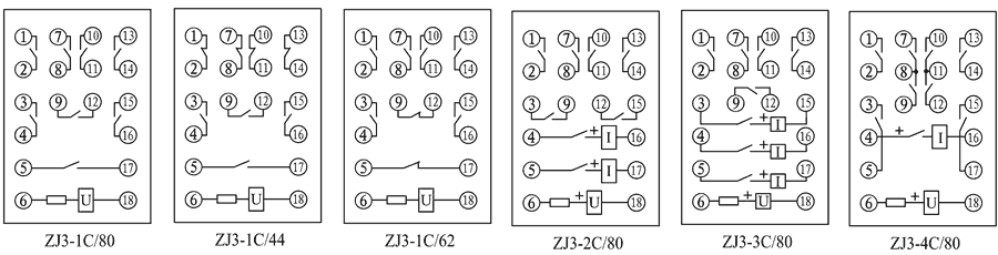
产品型号:ZJ3-3C/80
额定电压:48V、110V、220V(AC/DC)
触点形式:8常开
工作电流:0.25A、0.5A、1A、2A、4A
| 型号 | 触点形式 | 额定工作电压 | 额定工作电流 | |
| ZJ3-1C/80中间继电器 | 8常开 | AC/DC:24V、48V、110V、220V | 0.25A、0.5A、1A、2A、4A | |
| ZJ3-1C/44中间继电器 | 4常开4常闭 | AC/DC:24V、48V、110V、220V | 0.25A、0.5A、1A、2A、4A | |
| ZJ3-1C/62中间继电器 | 6常开2常闭 | AC/DC:24V、48V、110V、220V | 0.25A、0.5A、1A、2A、4A | |
| ZJ3-2C/80中间继电器 | 8常开 | AC/DC:24V、48V、110V、220V | 0.25A、0.5A、1A、2A、4A | |
| ZJ3-3C/80中间继电器 | 8常开 | AC/DC:24V、48V、110V、220V | 0.25A、0.5A、1A、2A、4A | |
| ZJ3-4C/80中间继电器 | 8常开 | AC/DC:24V、48V、110V、220V | 0.25A、0.5A、1A、2A、4A | |

| 额定参数 | |
| 额定工作电压 | AC/DC:24V、48V、110V、220V |
| 额定工作电流 | 0.25A、0.5A、1A、2A、4A |
| 额定保持电流 | 0.25A、0.5A、1A、2A、4A |
| 返回值 | >5% |
| 动作时间 | <7ms |
| 功耗 | <5W |
| 绝缘性能 | |
| 绝缘电阻 | 继电器外壳与外露带电端子之间用开路电压500V的兆欧表测量,绝缘电阻不小于10MΩ |
| 绝缘耐压 | 继电器外壳与外露带电端子之间能耐受2KV(有效值)50Hz试验电压,历时1分钟,无击穿或闪络现象 |
| 环境条件 | |
| 环境温度 | -15℃~55℃ |
| 工作电压 | 不大于120%额定电压 |
| 工作位置 | 任意 |
| 周围磁场强度 | 小于0.5mT |
| 环境相对湿度 | 不大于90% |
| 大气压力 | 80~110KPa |
| 温度 | -25℃~+70℃ |
| 海拔高度 | 不大于2500 米 |







