乐玩lewin国际

上海乐玩lewin国际电力

继电器制造商
lewin乐玩·(中国区)有限公司官网

咨询服务热线139-6888-3630
继电器选型
乐玩lewin国际> 技术文章>信号继电器>HJXH型信号继电器

联系乐玩lewin国际

  • HJXH-61/U信号继电器
  • 文章类别:HJXH型信号继电器
  • 文章概述
  • 产品型号:HJXH-61/U
    复归方式:手动复归
    动作信号:直流电压
    额定电压:DC24V、48V、110V、220V

  • 产品分类

    询价留言

    概述
    HJXH-61/U信号继电器适用于直流操作的继电保护和自动控制线路中,作为信号指示用,有多组动合保持触点,满足现场指示和遥信要求。HJXH-61/U采用导轨安装结构,具有接线方便、多个拼接、整定精度高、动作准确等特点。
    HJXH-61/U型号及其含义
    HJXH-61/U型号及其含义
    HJXH-61/U主要特点
    ■动作速度快,克服了原电磁式继电器不能指示真空开关快速动作信号的缺陷。
    ■既具有就地复归方式,又具有远方复归方式,可实现远程控制。
    ■HJXH-61/U的复归方式有通电与断电两种,以便用户灵活选择。
    ■既有电保持,又有磁保持,信号记忆可靠,带有多组动合触点,既可接入LED光字牌或白炽灯光字牌,也能满足远传要求。
    ■电流启动型启动电流通用范围宽(10mA~4A),极大地便于用户选型和压缩库存。
    ■可导轨安装也可面板开孔安装。
    HJXH-61/U复归方式及动作信号类型
    型号 复归方式 动作信号 额定值
    HJXH-61/U 手动复归 直流电压信号 DC24V、48V、110V、220V
    HJXH-61/I 手动复归 直流电流信号 10mA~4A
    HJXH-62/U 手动复归或远方复归 直流电压信号 DC24V、48V、110V、220V
    HJXH-62/I 手动复归或远方复归 直流电流信号 10mA~4A
    HJXH-E1/U 手动复归 直流电压信号 DC24V、48V、110V、220V
    HJXH-E1/I 手动复归 直流电流信号 10mA~4A
    HJXH-E2/U 手动复归或远方复归 直流电压信号 DC24V、48V、110V、220V
    HJXH-E2/I 手动复归或远方复归 直流电流信号 10mA~4A
    HJXH-E1/UD 手动复归 直流电压信号 DC24V、48V、110V、220V
    HJXH-E1/ID 手动复归 直流电流信号 10mA~4A
    HJXH-E2/UD 手动复归或远方复归 直流电压信号 DC24V、48V、110V、220V
    HJXH-E2/ID 手动复归或远方复归 直流电流信号 10mA~4A
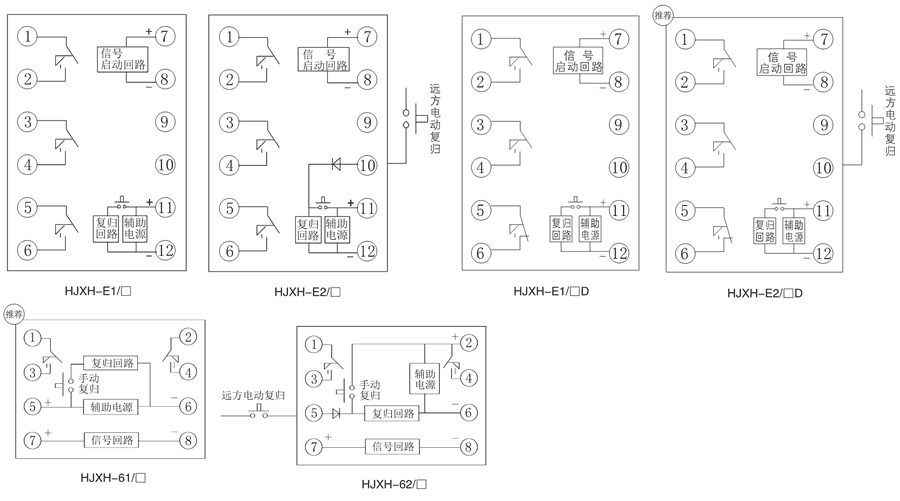
    接线图
    HJXH-61/U内部接线图
    HJXH-61/U技术参数
    额定参数
    启动方式 直流电压、直流电流
    电压型启动值 DC24V、48V、110V、220V可选
    电流型启动值 10mA~4A通用范围
    辅助电源电压 AC/DC:110V、220V
    复归值 90%辅助电源电压
    动作时间 ≤15ms
    电流型功耗 接通期间<3W
    电压型功耗 接通期间<1W
    绝缘性能
    绝缘电阻 继电器外壳与外露带电端子之间用开路电压500V的兆欧表测量,绝缘电阻不小于10MΩ
    绝缘耐压 继电器外壳与外露带电端子之间能耐受2KV(有效值)50Hz试验电压,历时1分钟,无击穿或闪络现象
    环境条件
    环境温度 -15℃~55℃
    工作电压 不大于120%额定电压
    工作位置 任意
    周围磁场强度 小于0.5mT
    环境相对湿度 不大于90%
    大气压力 80~110KPa
    温度 -25℃~+70℃
    海拔高度 不大于2500 米
    主要特点

    HJXH-61/U信号继电器阻燃壳体导轨型

    HJXH-61/U信号继电器阻燃壳体嵌入式面板型

    HJXH-61/U静态集成电路

    导轨安装结构
    HJXH-61/U导轨安装结构
    嵌入式面板安装结构
    HJXH-61/U嵌入式面板安装结构

    *主题:

    称呼:

    邮箱:

    公司:

    *电话:

    传真:

    备注:

    *验证码: